济宁三个!2023年度山东省新型建工示范项目名单出炉
扫描到手机,新闻随时看
扫一扫,用手机看文章
更加方便分享给朋友
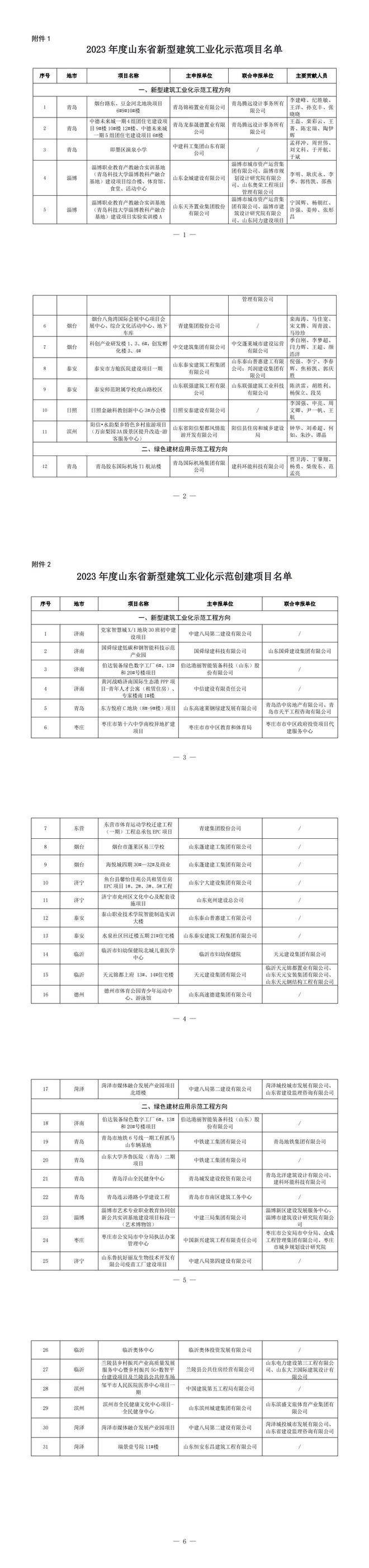
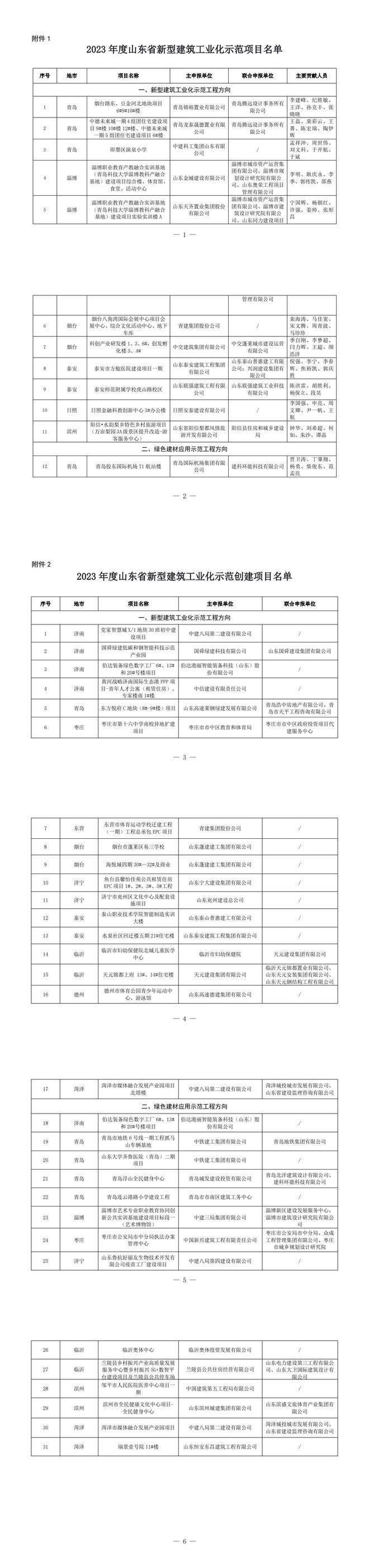
搜狐网济宁小编相关渠道获悉:根据《省功勋荣誉表彰工作领导小组办公室关于同意开展创建示范活动的复函》《山东省住房和城乡建设厅关于组织申报2023年度山东省新型建筑工业化示范项目的通知》(鲁建节科函〔2023〕11号)要求,经各市推荐、专家评审、现场核查、公示等程序,确定烟台路东、豆金河北地块项目6#9#10#楼等12个项目为示范项目(见附件1),党家智慧城X/1地块30班初中建设项目等31个项目为示范创建项目(见附件2)。现将项目名单予以公布,并就有关事项通知如下。
一、加强监督指导。
各市住房城乡建设主管部门要建立新型建筑工业化示范项目管理机制,加强对示范项目跟踪问效,及时宣传项目实施成效,切实发挥示范带动作用;对示范创建项目,要指导督促有关单位抓好项目实施,及时调度进展情况,按时保质完成示范创建任务。
二、确保实施效果。
申报单位是示范工作的责任主体。确定为示范项目的申报单位,要总结凝练示范创建经验做法,并在所承接的工程项目中,予以积极推广;确定为示范创建项目的申报单位,要认真落实示范创建方案,做好相关资料整理归档,自觉接受主管部门监督管理,确保示范创建进度和质量。
三、及时组织验收。
列为示范创建项目的新型建筑工业化工程、绿色建材应用工程应分别于2024年9月底前和2025年9月底前完成竣工验收及示范验收,示范验收由所在市住房城乡建设局提请省住房城乡建设厅进行验收。通过示范验收的,予以认定为示范项目并颁发相关证书。未通过示范验收或逾期未完成且未提出延期申请(最长延期不超6个月)的,撤销示范创建计划并向社会公布。
来源:山东省住房和城乡建设厅
责任编辑:袁培淞
声明:本文由入驻焦点开放平台的作者撰写,除焦点官方账号外,观点仅代表作者本人,不代表焦点立场。


